Flaschenanschlüsse ISO 5145:2017-11 (früher DIN 477 Teil 5)
für Druckgasflaschen mit max. Flülldruck 300 bar (Manometer am Druckminderer 400/300 bar)

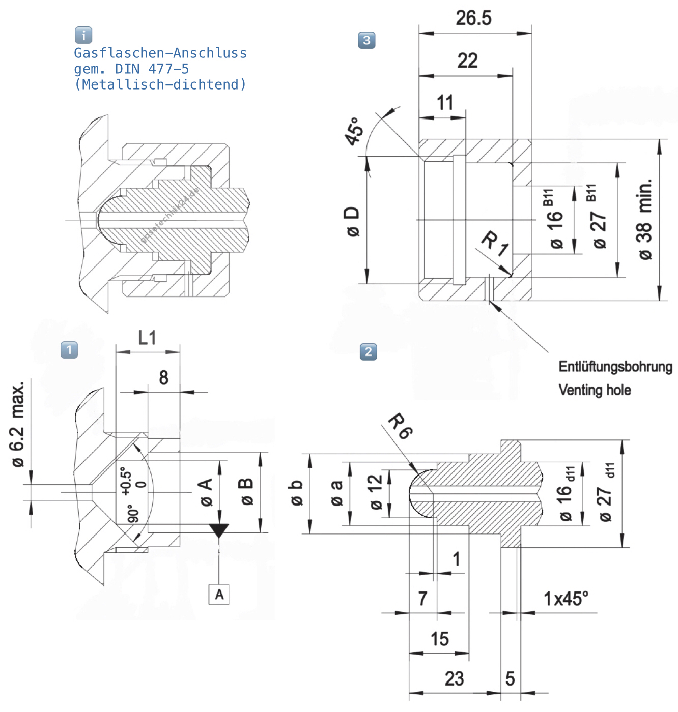
Je nach Gasart erfolgt die stirnseitige Abdichtung mittels Elastomeren (Metall/Elastomer-dichtend) oder metallisch (Metall/Metall-dichtend).
| Anschluss-Nr. DIN 477-5 | ISO 5145 | CEN Nr. | Eigenschaften | ø D | ø A | ø B | L1 | ø a | ø b |
| 50 | DIN EN ISO 12209 - 5.3.4 | Atemluft 300 bar (alte Norm) | |||||||
| 54 | (FTSC 0170) Nr. 30 |
1 | nicht entzündbare, nicht giftige und nicht oxidierende Gase und Gasgemische | W30x2 RH | 15,9 | 20,1 | 16 | 15,9 | 20,1 |
| 55 | (FTSC 273) Nr. in Klärung |
nicht entzündbare, giftige und korrosive Gase (auch durch Hydrolyse) und Gasgemische | W30x2 RH | 15,2 | 20,8 | 16,3 | 15,2 | 20,8 | |
| 56 | (FTSC 0170*) Nr. 31 |
3 | Druckluft | W30x2 RH | 16,6 | 19,4 | 15,7 | 16,6 | 19,4 |
| 57 | (FTSC 2170) Nr. 38 |
4 | entzündbare, nicht giftige Gase und Gasgemische | W30x2 LH** | 15,2 | 20,8 | 16,3 | 15,2 | 20,8 |
| 58 | (FTSC 2270) Nr. in Klärung |
entzündbare, giftige, korrosive (sauer) oder nicht korrosovie Gase und Gasgemische | W30x2 LH** | 15,9 | 20,1 | 16 | 15,9 | 20,1 | |
| 59 | (FTSC 4070*) Nr. 32 |
7 | Sauerstoff und oxidierende, nicht giftige, nicht korrosive Gase und Gasgemische | W30x2 RH | 17,3 | 18,7 | 15,3 | 17,3 | 18,7 |
| 60 | (FTSC 4371) Nr. in Klärung |
oxidierende, giftige und/oder korrosive Gase und Gasgemische | W30x2 RH | 18 | 18 | 15 | 18 | 18 | |
| * früher 1170 bzw. 4170 | ** LH: Linksgewinde (left-hand thread) | ||||||||
A) Gasflaschen-Anschluss nach ISO 5145:2017-11 (früher DIN 477 Teil 5) mit stirnseitiger Abdichtung (Metall/Elastomer-dichtend)
Hierbei erfolgt die Abdichtungmittels zwischen dem Ventilausgang (1) und dem Entnahmestutzen (2) mittels einem O-Ring (Innendurchmesser ø 7,66 mm x 1,78 mm) aus Gummi oder Kunststoff. Der Entnahmestutzen wird mit einer gerändelten Handanschluss-Mutter (3) mit dem Ventilausgang Hand-fest verschraubt. Zum Lösen der Handanschluss-Mutter sollte die Verbindung drucklos sein.

B) Gasflaschen-Anschluss nach ISO 5145:2017-11 (früher DIN 477 Teil 5) mit stirnseitiger Abdichtung (Metall/Metall-dichtend)
Hierbei erfolgt die Abdichtung zwischen dem Ventilausgang (1) und dem Entnahmestutzen (2) mittels eines Kugelkonus am Entnahmestutzen. Der Entnahmestutzen mit Kugelkonus erfordert zur Abdichtung zwingend eine Sechskant-Mutter (3) um eine gasdichte Verschraubung zu erzielen.

Passende Flaschenanschluss-Bolzen mit Überwurfmutter für Ventilanschlüsse 300 bar nach ISO 5145:2017-11 (früher DIN 477 Teil 5) finden Sie in der Shop-Kategorie: Anschlussbolzen